TNT - Continuous Flow Process Development System
Toluene undergoes a nitration reaction with concentrated nitric acid in the presence of concentrated sulfuric acid as a catalyst, gradually generating mononitrotoluene, dinitrotoluene, and TNT.

● Safer: The microchannel reactors has a low total liquid holdup, a large specific surface area, and a high heat transfer efficiency. It can remove a large amount of heat generated by the nitration reaction in time, reduce the risk of reaction.
● More efficient: The fluid in the microchannel is in a highly turbulent state, the reactants are mixed quickly and evenly, make reaction and production more efficient. It will more obvious for some nitration reactions that are limited by mass transfer.
● Better quality: The reaction conditions are easy to accurately control, such as temperature, pressure, material ratio, etc., which can make the reaction proceed in a more stable environment, reduce the occurrence of side reactions, and improve the product purity.
● Greener: Reduce raw material usage and energy consumption, reduce waste acid and the treatment costs, green and Environmentally Friendly.
● More flexible: Flexible and versatile system designed for process development, and easy for scale-up process from laboratory research to industrial production.
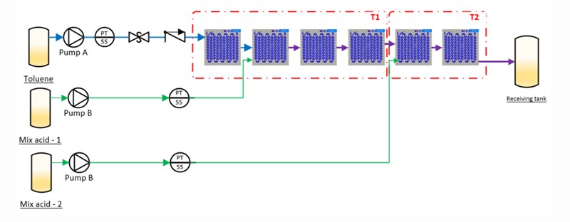
• Raw material: Toluene, concentrated nitric acid and sulfuric acid, ensure that the purity and concentration meet the reaction requirements.
• Feeding system: Feed toluene, nitric acid, and sulfuric acid into the microchannels of the glass microreactor at a certain ratio and flow rate through high-precision metering pumps. It contains three pumps, one for toluene and two for mixed acid. The pump needs to be resistant to strong acid corrosion, and PTFE or HC276 materials are usually selected.
• Reaction process: The reaction has 2 steps – the 1st step synthesis DNT from toluene and the 2nd step synthesis TNT from DNT, the temperature for DNT is lower than that for TNT.
• Temperature and pressure: Temp. range is -40~200℃, max pressure is 1.8MPa for glass and 7.0MPa for metal.
• Red water and spent acid could be reduced by 80%, energy can be saved by 60%, and the service life is more than 10 years.
The products produced by the continuous flow chemistry system are purer and white in color, while the products produced by the traditional method are slightly yellow due to impurities.

Our Knowledgeable Team is Here to Help
Our team is composed of experienced experts who are eager to help you find a solution that suits your business.
Related Products
CM-DM&PM Flow Microchannel Reactor(Metal)
Model:
The welded metal micro-reactor adopts the latest seamless welding technology, which realizes the welding of the entire plane instead of the welding corners, and through a special process, it is possible to realize high-strength whole-surface welding without processing the weld seam, which greatly reduces the processing difficulty.
Digital Falling Dart Impact Testing Machine
Model:
FIT1130 Falling dart impact testing machine applies to impact test for all kinds of plastic film and sheet.
Helmet Visor Impact Testing Machine
Model:
The equipment is used to detect the penetration resistance of the motorcycle helmet goggles. Design and manufacture conform to GB811: 2010 、 QCVN02:2008/BKHCN、EN 13087:2000 and ECE R22 standards. It is widely used in helmet manufacturing industry and safety supervision
Laryee Technology Co., Ltd. is known as a professional manufacturer of materials testing equipment for determination of mechanical properties.
Navigation
Tel: +86 10 6708 6287
Fax: + 86 10 6708 5997
Email: info@laryee.com
Add.: No.248 Guanganmenwai Avenue, Xicheng District, Beijing China